Rejestracja na forum została wyłączona. Obecnie forum pełni rolę archiwum wiedzy zebranej na przestrzeni lat.
Awatar użytkownika
mirsa
Posty: 58
Rejestracja: 2008-01-27, 17:17
Lokalizacja: okolice bydgoszczy

instalacja podciśnienia

2009-07-08, 20:37

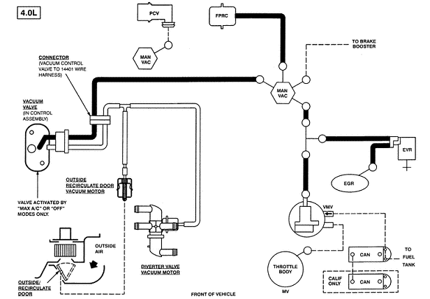
mam do was prośbę , potrzebuję rysunki (schemat)i zdjęcia instalacji podciśnienia w ex2 SOHC to znaczy co do czego jest podłączone , sprawa niby prosta ale jakoś nie mogę nic znaleźć poza prostymi schematami ,jedyny jaki znalazłem to EGR .
tel.602 52 84 53. była 1 z 93 - była 2 z 99 była 2 z 95 był blazer z 96 jest navigator z 98

benchi

Re: instalacja podciśnienia

2009-07-08, 22:00

Gdzieś mam. Jutro poszukam. Pozdrawiam
Załączniki
89684g60L.gif
O to chodziło?
89684g60L.gif (22.82 KiB) Przejrzano 2076 razy
Ostatnio zmieniony 2009-07-09, 11:26 przez benchi, łącznie zmieniany 1 raz.

Awatar użytkownika
mirsa
Posty: 58
Rejestracja: 2008-01-27, 17:17
Lokalizacja: okolice bydgoszczy

Re: instalacja podciśnienia

2009-07-15, 16:25

ten schemat to od ohv jest a ja mam sohc, ale wystarczy że będę wiedział co do czego podłączyć
Załączniki
pod.jpg
pod.jpg (98.46 KiB) Przejrzano 2035 razy
tel.602 52 84 53. była 1 z 93 - była 2 z 99 była 2 z 95 był blazer z 96 jest navigator z 98

benchi

Re: instalacja podciśnienia

2009-07-15, 20:09

W dokumentacji opisany jest jako SOHC

Wróć do „WARSZTAT”