Rejestracja na forum została wyłączona. Obecnie forum pełni rolę archiwum wiedzy zebranej na przestrzeni lat.
adamsky
Posty: 50
Rejestracja: 2009-05-18, 22:36
Lokalizacja: Gdańsk

PLASTIK POD WYCIERACZKAMI + SPRYSKIWACZ

2009-06-25, 12:25

Witam!!!

OKAZAŁO SIĘ OSTATNI że nie mam SPRYSKIWACZY NA SZYBY!!!!

TZN. Mam - jeden tylko od kierowcy który jest pod czarnym plastikiem tam gdzie sa wycieraczki,,, czy ktoś kiedys ściągał tą czarna plastikową osłonkę bo chyba ten spryskiwacz powinien byc przyczepiony jakos tam a nie latać luźno jak ,,,
Czy ma ktoś może do sprzedania taki drugi ?? bo niestety nie wiem gdzie się podział
POZDRAWIAM ADAMSKY

Awatar użytkownika
mika
Posty: 585
Rejestracja: 2007-07-22, 23:00
Lokalizacja: Gdańsk

Re: PLASTIK POD WYCIERACZKAMI + SPRYSKIWACZ

2009-06-25, 12:43

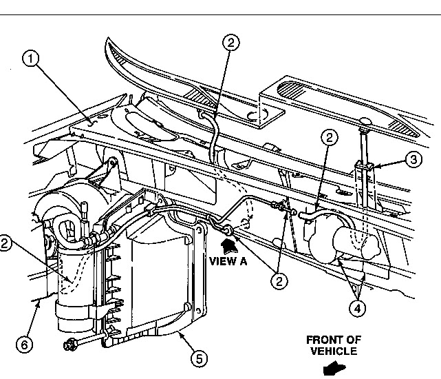
tu masz rys. budowy układu
Załączniki
2.jpg
2.jpg (19.49 KiB) Przejrzano 4105 razy
1.jpg
1.jpg (108.24 KiB) Przejrzano 4105 razy
Ostatnio zmieniony 2009-06-25, 12:44 przez mika, łącznie zmieniany 1 raz.
IF YOU CAN READ THIS TURN ME BACK ONTO MY WHEELS
http://www.explorerforum.com/forums/sho ... stcount=17

EX II - XLT 95 4.0 V6 OHV (LPG) / lift 2" UP /265 75 R16

Awatar użytkownika
megabit13
Posty: 311
Rejestracja: 2008-07-07, 14:11
Lokalizacja: Łabiszyn /Bydgoszcz
Kontakt: Strona WWW

Re: PLASTIK POD WYCIERACZKAMI + SPRYSKIWACZ

2009-06-25, 12:44

Witam
przerabiałem temat plastik jest na zatrzaskach wiec wystarczy go wyszarpnąć a jesli chodzi o spryskiwacze są zamocowane do tego plastika i poszperaj na allegro kupisz za jakieś grosze od anglika ja tak zrobiłem i jest ok.

[ Dodano: 2009-06-25, 12:45 ]
no widać ze mika, dał co dokładniejszy obraz sytuacji. :grin:
Z poważaniem
Łukasz Janicki

adamsky
Posty: 50
Rejestracja: 2009-05-18, 22:36
Lokalizacja: Gdańsk

Re: PLASTIK POD WYCIERACZKAMI + SPRYSKIWACZ

2009-06-25, 17:11

DZIĘKÓWKA mika i megabit13 zabieram sie do kombinowania

Awatar użytkownika
Klubowicz jacek4
Klubowicz
Posty: 5873
Rejestracja: 2008-06-18, 21:37
Lokalizacja: Warszawa-Pr.Płd.
Model Explorera: EX II 1996 OHV

Re: PLASTIK POD WYCIERACZKAMI + SPRYSKIWACZ

2009-06-25, 21:01

uważaj adamsky bo jak masz II-kę to zajrzyj od góry dokładnie bo ja oprócz tego że wchodzi na wcisk to w kratkach patrząc od góry mam wkręty po jednym na strone -musisz sprawdzić bo są mało widoczne i głęboko :-)
jacek4
kom. +48 515 276 140

W walce z ogniem nie ma kompromisów - są zwycięstwa, ale i czasem są porażki...
http://www.youtube.com/watch?v=NErhyfVwscU

Wróć do „WARSZTAT”