Rejestracja na forum została wyłączona. Obecnie forum pełni rolę archiwum wiedzy zebranej na przestrzeni lat.
Awatar użytkownika
julek1270
Posty: 345
Rejestracja: 2009-03-08, 20:11
Lokalizacja: Drawsko Pomorskie

przewód podciśnienia w EX1

2009-03-22, 02:59

Witam.Otóż mam problem z pewnym przewodem a właściwie nie mam pojęcia gdzie go podłączyć ,obroty silnika na P wynoszą 1100-1200 , jak go przytkam spadają do 500-600 ale silnik bardzo kuleje tak jakby chodził na 2 garki .Od samego początku (tzn. od zakupu auta ) miał tak wysokie obroty a znalazłem ten przewód gdy miesiąc temu zaczeła zapalać mi się check engine (był wetknięty za silnik i przyssał się do bloku silnika), zaczełem grzebać i go wytargałem .Gdzie nie pojade "fachowcy" robią dziwne miny i na tym się kończy . Długo siedziałem i szukałem podobnych tematów lecz niestety .... Z góry dzięki za jakiekolwiek sugestie. Pozdrawiam.
Załączniki
100_0729.JPG
100_0729.JPG (179.88 KiB) Przejrzano 6326 razy

chevidan

Re: przewód podciśnienia w EX1

2009-03-22, 10:27

nie widziałem jeszcze takiego węża w ex I.
napisz jeszcze co to jest za urządzenie po prawej stronie pompy hamulcowej.zdaje się że to tempomat .napewno ten wąż musisz zaślepić bo nie będzie dobrze chodził silnik z takim lewym powietrzem.ktoś chyba coś tam zamotał z tymi wężami.

Awatar użytkownika
Leszek
Posty: 471
Rejestracja: 2008-01-24, 20:34
Lokalizacja: Środa Wlkp - Koszuty

Re: przewód podciśnienia w EX1

2009-03-22, 10:32

ktoś chyba coś tam zamotał z tymi wężami.
Mnie tez wydaje się to jakąś zmotą , ponieważ w układzie podciśnienia nie ma nigdzie węży połączonych trójnikami. Wyrzuć to wszystko i daj nowy wąż od kolektora do tempomatu.
Skazany na bluesa
Mając samochód z napędem 4x4 zakopiesz się w bardziej niedostępnym miejscu...

Awatar użytkownika
Moderator Jankes
Moderator
Posty: 3111
Rejestracja: 2007-12-08, 19:37
Lokalizacja: Chicago/Kraków
Model Explorera: Każdy
Kontakt: Strona WWW

Re: przewód podciśnienia w EX1

2009-03-22, 10:36

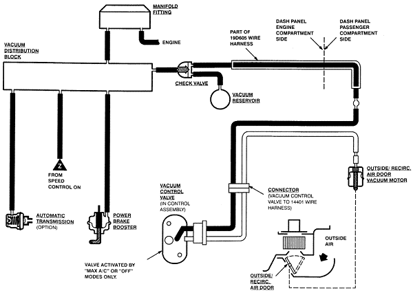
Tu masz schemat systemu podciśnienia. Jakbyś miał jeszcze pytania to wal śmiało.
Załączniki
0900c1528018ee0f.gif
0900c1528018ee0f.gif (21.13 KiB) Przejrzano 6306 razy
Yankee Kustoms
Chicago, Illinois

Awatar użytkownika
alban
Posty: 637
Rejestracja: 2007-12-10, 21:17
Lokalizacja: Wrocław
Kontakt: Strona WWW

Re: przewód podciśnienia w EX1

2009-03-22, 11:08

Wąż to na bank jakaś wydumka - zaślepić wywalić i spokój.
Silnik po zaślepieniu i skasowaniu błędów powinien chodzić normalnie.
Jeśli nie to podregulować obroty na przepustnicy i po kłopocie.
@chevidan - to po prawej od pompy to grucha tempomatu.
Do niej też jest podłączone podciśnienie. ale nie takim przewodem.
On ewidentnie wychodzi od nieoryginalnego trójnika więc to jakaś zmota.
Może sprzedający miał coś zamontowane dodatkowo i sprzedając auto poprostu to wymontował i nie zaślepił przewodu.
PS. Tak popatrzyłem na schemat i może to tez być jeszcze podciśnienie do skrzyni biegów (jak napisano na schemacie - opcjonalnie).
Trzeba wleźć pod auto i sprawdzić czy nie ma tam gdzies luźnego przewodu...
Pozdraiwam.
Ostatnio zmieniony 2009-03-22, 11:11 przez alban, łącznie zmieniany 1 raz.
Służę radą i pomocą techniczną...

FON 666131133

Awatar użytkownika
Moderator Jankes
Moderator
Posty: 3111
Rejestracja: 2007-12-08, 19:37
Lokalizacja: Chicago/Kraków
Model Explorera: Każdy
Kontakt: Strona WWW

Re: przewód podciśnienia w EX1

2009-03-22, 11:15

ale rurka podciśnienia do skrzyni już tam jest... ta wychodząca do góry, na kolektor, przechodząca w rurkę metalową...


cała ta zmota mnie trochę zastanawia - po co wstawiać dodatkową rurkę podciśnienia? do czego?

zaślep koniec tej luźnej rurki i tak spróbuj przez parę dni.

powinno pomóc.
Yankee Kustoms
Chicago, Illinois

Awatar użytkownika
julek1270
Posty: 345
Rejestracja: 2009-03-08, 20:11
Lokalizacja: Drawsko Pomorskie

Re: przewód podciśnienia w EX1

2009-03-22, 11:52

Dzięki , zaraz polece sprawdzić z tym schematem i dam znać a tak pozatym to pewnie i dlatego tempomatmi nie działa ?,......

Awatar użytkownika
Moderator Jankes
Moderator
Posty: 3111
Rejestracja: 2007-12-08, 19:37
Lokalizacja: Chicago/Kraków
Model Explorera: Każdy
Kontakt: Strona WWW

Re: przewód podciśnienia w EX1

2009-03-22, 19:31

Dokładnie - ja to bym wywalił ten trójnik a w jego miejsce wstawił po prostu łącznik.
Yankee Kustoms
Chicago, Illinois

Awatar użytkownika
fotomysz
Posty: 2359
Rejestracja: 2007-11-04, 11:32
Lokalizacja: Łódź
Kontakt: Strona WWW

Re: przewód podciśnienia w EX1

2009-03-22, 21:17

może ktoś wpadł na pomysł ze jak poda mu lewe powietrze to silnik zacznie równo pracować i tak sprytnie to wymyślili na tym trójniku :D
Explorer '99 4.0L V6 + LPG, zawiecha +2" up .......... na razie :P
SHREK '09 4.0 V6 OHV :D
Stworzyłem POTWORA ;P
Miał być jeszce Sport ale się nie udalo :P więc jest SHREK

Awatar użytkownika
julek1270
Posty: 345
Rejestracja: 2009-03-08, 20:11
Lokalizacja: Drawsko Pomorskie

Re: przewód podciśnienia w EX1

2009-03-22, 22:56

więc tak, przewód wywaliłem i połączyłem bez tego trójnika ,w mojej okolicy niestety nie mam gdzie podłączyć auto pod komputer (nie mają do tego typu Programu), dostałem podpowiedź aby odłączyć aku na kilka godzin może coś to da , więc odłączyłem na około 4 godziny .No i bez zmian ,silnik mało co nie wyskoczy z gum tak nim rzuca i kopci (z trójnikiem nie kopcił).Z samochodem miałem przeboje prawie od samego początku więc fotomysz chyba trafił w sedno .Będe dalej szukał , jak wygram tę walke to się podziele z wami gdzie diabeł siedział.

Awatar użytkownika
Moderator Jankes
Moderator
Posty: 3111
Rejestracja: 2007-12-08, 19:37
Lokalizacja: Chicago/Kraków
Model Explorera: Każdy
Kontakt: Strona WWW

Re: przewód podciśnienia w EX1

2009-03-22, 23:50

Jedynka i do tego pierwszy wypust nie miał EGR ale miał pompę na silniku. Miało to robić za EGR - pompa powietrza - nie wiem po co ona tam była ale moze tak być, ze ten wąż był do tej pompy podłączony. Znajdę coś to ci dam znać... rzuca silnikiem i kopci... to mi niedobrze wygląda.
Yankee Kustoms
Chicago, Illinois

Awatar użytkownika
alban
Posty: 637
Rejestracja: 2007-12-10, 21:17
Lokalizacja: Wrocław
Kontakt: Strona WWW

Re: przewód podciśnienia w EX1

2009-03-23, 00:06

Za mało powietrza.
A silnik krokowy działa?!
Może jest niesprawny i nie miał wolnych obrotów dlatego.
Jak mu podali Lewe powietrze to chodzi na 1100 obrotów zamiast brac powietrze na wolnych z silnika krokowego.
Sprawdził bym jeszcze to.
Służę radą i pomocą techniczną...

FON 666131133

Awatar użytkownika
julek1270
Posty: 345
Rejestracja: 2009-03-08, 20:11
Lokalizacja: Drawsko Pomorskie

Re: przewód podciśnienia w EX1

2009-03-23, 01:28

krokowiec działa ,na wolnych ... rozłańczam (rozłączam. Jak w liceum normalnie, nooo :) ) kostke to silnik gaśnie .Czarne kopcenie to raczej chyba będzie coś z dawką paliwa (pali mi około 20 l z tym że większość jeżdżę po mieście)bo oleju mi nie ubywa , jeszcze jedno , w układzie jest Vacuum Reservoir co przetłumaczyłem na jakiś zbiornik próżniowy , i tak prawde mówiąc nie mogę go znaleźć u mnie (być może źle szukam)


Poprawka błędu. Akurat ten błąd działa na mnie jak płachta na byka. Y.
Ostatnio zmieniony 2009-03-23, 09:52 przez julek1270, łącznie zmieniany 2 razy.

Awatar użytkownika
Moderator Jankes
Moderator
Posty: 3111
Rejestracja: 2007-12-08, 19:37
Lokalizacja: Chicago/Kraków
Model Explorera: Każdy
Kontakt: Strona WWW

Re: przewód podciśnienia w EX1

2009-03-23, 09:40

a sprawdzałeś koło tej rurki co ją miałeś rozłączoną? nie było w jej zasięgu czegoś do czego można ją było podłączyć? Może tam być jakiś pojemnik, jakaś pucha... mógł to być pojemnik z węglem do odprowadzania wyziewów ze zbiornika paliwa... są te puchy tak sprytnie pochowane wokół nadkoli zaraz za lampami przednimi... zajrzyj tam po stronie kierowcy.
Yankee Kustoms
Chicago, Illinois

Awatar użytkownika
Boni
Posty: 636
Rejestracja: 2007-09-04, 21:20
Lokalizacja: Grodzisk Maz

Re: przewód podciśnienia w EX1

2009-03-23, 10:12

Mi też się na szybkiego kojarzy z rurką do filtra węglowego, bo dokładnie gdzieś tam sięga i tak wygięta, tylko że na zdjęciach filtra jakby już nie ma ;) a co do rurki, to mam wrażenie, że do filtra idzie znacznie cieńsza, no ale to może dlatego że u mnie nie ma tempomatu, i jest inaczej pomotane.

Inna sprawa, że powinno dać się takie cuś zaślepić, zresetować wózek i powinno hulać, a nie telepać czy dymić, to jest zagadka. Proponowałbym kody przeczytać, ze zwróceniem uwagi na MAF sensor, bo może to zmota jakiegoś sprytnego mechesa w celu przesunięcia ciśnień i przepływów w stronę akceptowalnych, zamiast "przesunięcia" rozkalibrowanego MAFa na śmietnik...
Ostatnio zmieniony 2009-03-23, 10:26 przez Boni, łącznie zmieniany 2 razy.

Wróć do „WARSZTAT”