Rejestracja na forum została wyłączona. Obecnie forum pełni rolę archiwum wiedzy zebranej na przestrzeni lat.
Awatar użytkownika
amon
Posty: 52
Rejestracja: 2008-06-29, 18:56
Lokalizacja: ok. Wrocławia

koło pasowe na wale

2009-03-09, 18:07

mam dziwny przypadek coś bardzo ale to bardzo zaczeło stukać a nawet walić myślałem na początku ze wał mi sie urwał taki odgłos po zatrzymaniu stwierdziłem ze to przy silniku koło pasowe na wale jest luźne i lata na wszystkie strony wszystkie śruby są dokrecone a tak lata i stuka ze paski pospadały ale ciśnienie oleju jest
co to może być bo nie wiem czy silnika szukać czy co już robić

2 jak temperatura silnika wejdzie mi na normal to zaczyna brakować ciśnienia oleju spada na postoju tak ze mało skazówki nie wyrwie az za czerwoną kreske olej i filtr maja ok 3000mil
Ostatnio zmieniony 2009-03-09, 18:21 przez amon, łącznie zmieniany 1 raz.

Awatar użytkownika
alban
Posty: 637
Rejestracja: 2007-12-10, 21:17
Lokalizacja: Wrocław
Kontakt: Strona WWW

Re: koło pasowe na wale

2009-03-09, 18:39

Prawdopodobnie pękł wał...
trzeba to rozebrać czy koło ma się do czego trzymać.
Jeśli tak to kupić używany wał i nominalne panewki i jeździć dalej do usranej śmierci.
Nie jest to nic strasznego bo wyjęcie silnika zdjęcie koła zamachowego, miski olejowej i rozrządu i masz wał wymieniony, nawet nie trzeba głowic zrywać co daje baaardzo durzą oszczędność.
Nie radzę odpalać już tego silnika...
Ostatnio zmieniony 2009-03-09, 18:43 przez alban, łącznie zmieniany 2 razy.
Służę radą i pomocą techniczną...

FON 666131133

Awatar użytkownika
amon
Posty: 52
Rejestracja: 2008-06-29, 18:56
Lokalizacja: ok. Wrocławia

Re: koło pasowe na wale

2009-03-09, 18:47

właśnie obawiam sie tego wału ale koło sie kręci ciśnienie oleju jest i samochód jedzie tylko stuk straszliwy

Awatar użytkownika
alban
Posty: 637
Rejestracja: 2007-12-10, 21:17
Lokalizacja: Wrocław
Kontakt: Strona WWW

Re: koło pasowe na wale

2009-03-09, 18:49

Tak jest że będzie chodzic dputy ni eukręci się coś jeszcze i korba bokiem nie wyjdzie...
Ni eodpalaj go tylko zdemój koło i zobacz czy końcówka wału jest luźna - jak tak to zapraszam z trzema stówkami po wał do mnie...
Służę radą i pomocą techniczną...

FON 666131133

Awatar użytkownika
amon
Posty: 52
Rejestracja: 2008-06-29, 18:56
Lokalizacja: ok. Wrocławia

Re: koło pasowe na wale

2009-03-09, 18:54

rano go na zakład pociągne bo w domu nawet kombinerek nie mam porządnych i zabacze co i jak tam sie dzieje

Awatar użytkownika
Moderator Jankes
Moderator
Posty: 3111
Rejestracja: 2007-12-08, 19:37
Lokalizacja: Chicago/Kraków
Model Explorera: Każdy
Kontakt: Strona WWW

Re: koło pasowe na wale

2009-03-09, 22:51

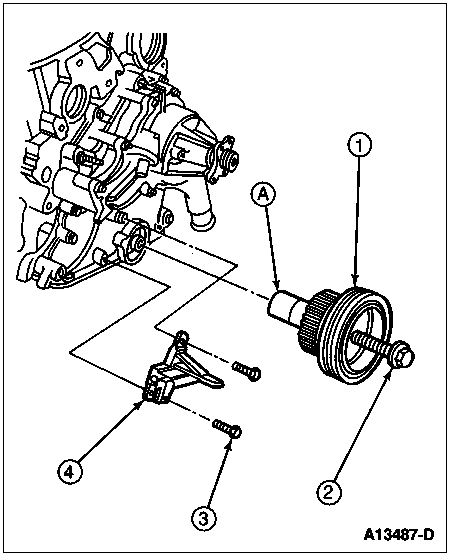
a nie jest w tym silniku tak, że pierwsze koło na wale (damper) jest przykręcone do wału jedną śrubą a nie czterema? koło pasowe jest przykręcone potem do tego koła czterema śrubami. Sprawdź bo może poluzowała się tamta wewnętrzna śruba i dlatego wszystko lata...
Załączniki
damper.gif
damper.gif (12.12 KiB) Przejrzano 5460 razy
Ostatnio zmieniony 2009-03-09, 22:56 przez Jankes, łącznie zmieniany 1 raz.
Yankee Kustoms
Chicago, Illinois

Awatar użytkownika
amon
Posty: 52
Rejestracja: 2008-06-29, 18:56
Lokalizacja: ok. Wrocławia

Re: koło pasowe na wale

2009-03-09, 23:01

sa 4 na klucz 13 i są dokręcone i jest we wnęce na klucz 21 i też jest dokręcona znajomy posiadacz transAm' mówił coś ze u niego miedzy kołem pasowym jest jakieś coś dokładnie nie wie jak to się nazywa ale mogło też sie rozpaść bo fakt jest taki ze jak się to stało to na takim pukającym przejechałem ok 2km aż paski spadły i wspomagania nie było fakt też ze jechałem bez gazu bo ludziom sie mało głowy nie ukręciły taki hałas był

Awatar użytkownika
Krzysztof Kurek
Posty: 557
Rejestracja: 2008-09-02, 20:13
Lokalizacja: Poznań

Re: koło pasowe na wale

2009-03-09, 23:03

Słuchajcie, a tam nie ma tłumika drgań skrętnych, który jest zazwyczaj gumowy?
A wszystko co gumowe lubi pęknąć :x
Piasta jest przykręcona do wału śrubą na klucz 21 a koło pasowe do stalowego pierścienia połączonego z piastą poprzez gumę.
Ostatnio zmieniony 2009-03-09, 23:07 przez Krzysztof Kurek, łącznie zmieniany 2 razy.
Nie bierz nic na wiarę, sam wszystko badaj...

Awatar użytkownika
Moderator Jankes
Moderator
Posty: 3111
Rejestracja: 2007-12-08, 19:37
Lokalizacja: Chicago/Kraków
Model Explorera: Każdy
Kontakt: Strona WWW

Re: koło pasowe na wale

2009-03-09, 23:06

to jest OHV więc jest tak jak pisałem... koło pasowe jest przykręcone do tłumika drgań (damper) czterema śrubami a damper jest przykręcony do wału jedną śrubą właśnie tak jak piszesz klucz 21mm - trzeba odkręcić te cztery śruby, zdjąć koło i popatrzeć co dalej...
Ostatnio zmieniony 2009-03-09, 23:06 przez Jankes, łącznie zmieniany 1 raz.
Yankee Kustoms
Chicago, Illinois

Awatar użytkownika
amon
Posty: 52
Rejestracja: 2008-06-29, 18:56
Lokalizacja: ok. Wrocławia

Re: koło pasowe na wale

2009-03-09, 23:25

najgorsze nie widziałem zadnego kukiełka w skrzyni zeby zablokować wał bo kręci sie jak go rurką atakuje
gdzie znaleźć takie ładne schematy jak wklejony został bo szperam po necie za tym od 15stej
Ostatnio zmieniony 2009-03-09, 23:49 przez amon, łącznie zmieniany 2 razy.

Awatar użytkownika
Moderator Jankes
Moderator
Posty: 3111
Rejestracja: 2007-12-08, 19:37
Lokalizacja: Chicago/Kraków
Model Explorera: Każdy
Kontakt: Strona WWW

Re: koło pasowe na wale

2009-03-09, 23:51

takie schematy to ja mam w serwisówce na DVD... do blokowania całości służy specjalny uchwyt albo ktoś do pomocy co wsadzi duży, oj bardzo duży śrubokręt tam gdzie trzeba... tak, żeby nie uszkodzić czujnika położenia wału przy kole pasowym. Albo założyć pasek wieloklinowy i próbować ściągnąć go dobrze żeby zablokował koło. Śruba jest przykręcona na amen... wiem cos o tym... nie dalej jak w sobotę zmagałem się z jedną.
Yankee Kustoms
Chicago, Illinois

Awatar użytkownika
amon
Posty: 52
Rejestracja: 2008-06-29, 18:56
Lokalizacja: ok. Wrocławia

Re: koło pasowe na wale

2009-03-10, 00:02

w audi zakładałem klucz i rozrusznikiem atakowałem tu mam obawy przed takim przedsięwzięciem już wolał bym w aerostarze rwać głowice na aucie(wykonalne) niż z tą śrubą walczyć jutro będę motał a foto mostu z aerostara też z serwisówki masz?

a wszystko pewnie przez to że sie obraził jak oglądałem diesla z excursiona na przekładke
czuła bestia hehe

Awatar użytkownika
Moderator Jankes
Moderator
Posty: 3111
Rejestracja: 2007-12-08, 19:37
Lokalizacja: Chicago/Kraków
Model Explorera: Każdy
Kontakt: Strona WWW

Re: koło pasowe na wale

2009-03-10, 00:09

w audi zakładałem klucz i rozrusznikiem atakowałem tu mam obawy przed takim przedsięwzięciem już wolał bym w aerostarze rwać głowice na aucie(wykonalne) niż z tą śrubą walczyć jutro będę motał a foto mostu z aerostara też z serwisówki masz?

a wszystko pewnie przez to że sie obraził jak oglądałem diesla z excursiona na przekładke
czuła bestia hehe
ano czuła bestia...

moja serwisówka Forda kryje większość modeli 1996-1999... do wcześniejszego Explo mam w druku... czasem jest niezastąpiona, i jedna, i druga.
Yankee Kustoms
Chicago, Illinois

Awatar użytkownika
amon
Posty: 52
Rejestracja: 2008-06-29, 18:56
Lokalizacja: ok. Wrocławia

Re: koło pasowe na wale

2009-03-10, 00:14

do aerostara też nic znaleźć nie mogę jak mi termostat złapał i go usmażyłem to wszystko na żywioł i aparat zapłonowy na oko ustawiłem a walka była straszna zanim części sie dowlokły nie pamiętałem już gdzie co było a w znajomych warsztatach to jak wampira mnie wyganiali nikt się podjąć nie chciał ale pokonałem go i jestem dumny sam z siebie hehe

Awatar użytkownika
Moderator Jankes
Moderator
Posty: 3111
Rejestracja: 2007-12-08, 19:37
Lokalizacja: Chicago/Kraków
Model Explorera: Każdy
Kontakt: Strona WWW

Re: koło pasowe na wale

2009-03-10, 08:05

czasem z musu szybko się uczymy... :roll:
Yankee Kustoms
Chicago, Illinois

Wróć do „WARSZTAT”