Rejestracja na forum została wyłączona. Obecnie forum pełni rolę archiwum wiedzy zebranej na przestrzeni lat.
danielpoz

Czujnik walka rozrzadu

2009-02-12, 18:13

no wlasnie czy w EX II z 4.0 jest czujnik walka rozrzadu?
Ostatnio zmieniony 2009-02-12, 18:14 przez danielpoz, łącznie zmieniany 1 raz.


danielpoz

Re: Czujnik walka rozrzadu

2009-02-12, 19:33

Dzieki :-)
na lewej czy prawej glowicy?

Awatar użytkownika
mika
Posty: 585
Rejestracja: 2007-07-22, 23:00
Lokalizacja: Gdańsk

Re: Czujnik walka rozrzadu

2009-02-12, 20:06

Załączniki
1.JPG
1.JPG (36.74 KiB) Przejrzano 4601 razy
Ostatnio zmieniony 2009-02-12, 20:11 przez mika, łącznie zmieniany 2 razy.
IF YOU CAN READ THIS TURN ME BACK ONTO MY WHEELS
http://www.explorerforum.com/forums/sho ... stcount=17

EX II - XLT 95 4.0 V6 OHV (LPG) / lift 2" UP /265 75 R16

danielpoz

Re: Czujnik walka rozrzadu

2009-02-12, 20:16

Czasem nie mylisz z czujnikiem polozenia walu?

Awatar użytkownika
mika
Posty: 585
Rejestracja: 2007-07-22, 23:00
Lokalizacja: Gdańsk

Re: Czujnik walka rozrzadu

2009-02-12, 20:17

[ Dodano: 2009-02-12, 20:22 ]
Czasem nie mylisz z czujnikiem polozenia walu?
nie to jest CKP Crankshaft Position (CKP) Sensor



OHV i SOHC maja w tym samym miejscu
Załączniki
newflywheel.jpg
newflywheel.jpg (164.25 KiB) Przejrzano 4590 razy
ckp.JPG
CKP
ckp.JPG (40.22 KiB) Przejrzano 4585 razy
Ostatnio zmieniony 2009-02-12, 20:28 przez mika, łącznie zmieniany 4 razy.
IF YOU CAN READ THIS TURN ME BACK ONTO MY WHEELS
http://www.explorerforum.com/forums/sho ... stcount=17

EX II - XLT 95 4.0 V6 OHV (LPG) / lift 2" UP /265 75 R16

danielpoz

Re: Czujnik walka rozrzadu

2009-02-12, 20:30

aaa czyli bierze sygnal nie z walka w glowicy tylko z tego posredniego jesli dobrze widze

Awatar użytkownika
Krzysztof Kurek
Posty: 557
Rejestracja: 2008-09-02, 20:13
Lokalizacja: Poznań

Re: Czujnik walka rozrzadu

2009-02-12, 20:33

Silnik SOHC czy OHV?
Bo SOHC ma na pokrywie lewego wałka, na głowicy, OHV ma tam gdzie na obrazku.
Nie bierz nic na wiarę, sam wszystko badaj...

danielpoz

Re: Czujnik walka rozrzadu

2009-02-12, 20:37

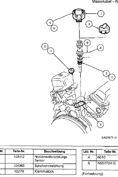
o SOHC sie rozchodzi i czyli jednak na glowicy

Dziki za info :-)

Awatar użytkownika
fotomysz
Posty: 2359
Rejestracja: 2007-11-04, 11:32
Lokalizacja: Łódź
Kontakt: Strona WWW

Re: Czujnik walka rozrzadu

2009-02-13, 10:32

w SOHC jest obok wlewu oleju :D
Explorer '99 4.0L V6 + LPG, zawiecha +2" up .......... na razie :P
SHREK '09 4.0 V6 OHV :D
Stworzyłem POTWORA ;P
Miał być jeszce Sport ale się nie udalo :P więc jest SHREK

Wróć do „WARSZTAT”