Rejestracja na forum została wyłączona. Obecnie forum pełni rolę archiwum wiedzy zebranej na przestrzeni lat.
aniremis

Schemat rurek podciśnienia? OHV

2009-01-27, 20:42

Witam .
Niestety ,ale nie wiem czy dobrze zamiesciłem temat , jeżeli nie to proszę o przeniesienie. :oops:

Otóż mam mały problem z podłączeniem podciśnień w swoim autku ( EXPO II 1995 r 156km 4.0) i tu zwracam się z prośbą , czy ktoś miałby ochotę podjechać do mnie do warsztatu swoim
expo abym oblukał co i jak ? Oczywiście zwrócę za drogę i za poświęcony czas. Byłbym bardzo wdzięczny i zobowiązany . Miejscowość to kartuzy ok 27 km od gdańska i 34 km od gdyni.
Pozdrawiam i liczę na pomoc.
Ostatnio zmieniony 2009-01-28, 01:05 przez aniremis, łącznie zmieniany 1 raz.

Shellby

Re: Schemat rurek podciśnienia? OHV

2009-01-27, 21:29

Witam.
Ja mogę podjechać, ale mój silnik to SOHC 205KM.
Posiadam manuala Chilton - a, jeśli byłbyś zainteresowany.

Awatar użytkownika
Moderator Jankes
Moderator
Posty: 3111
Rejestracja: 2007-12-08, 19:37
Lokalizacja: Chicago/Kraków
Model Explorera: Każdy
Kontakt: Strona WWW

Re: Schemat rurek podciśnienia? OHV

2009-01-28, 01:04

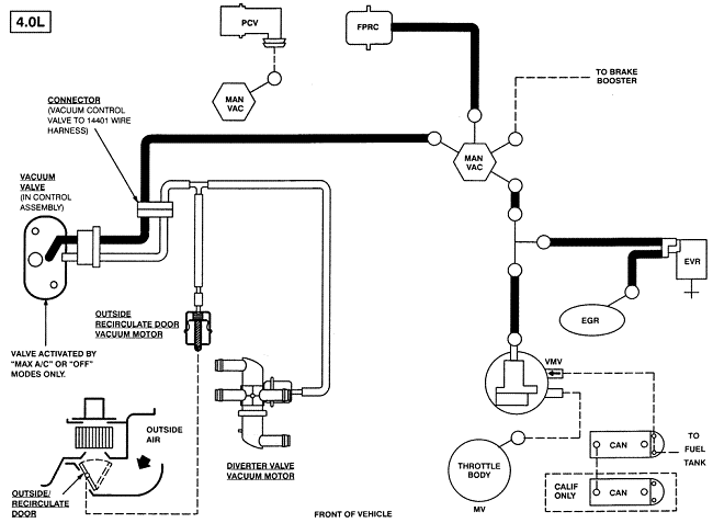
Mam schemat jak podłączyc te rurki... sam zresztą uporałem się z tym problemem zaledwie kilka dni temu :D

Jedna rurka do regulatora ciśnienia paliwa (po lewej stronie silnika zaraz pod przepustnicą), druga do zaworu EGR (zielona), trzecia do zbiorniczka pod akumulatorem (wentylacja zbiornika paliwa). Popatrz na schemat...
Załączniki
diagram1.gif
diagram1.gif (24 KiB) Przejrzano 3032 razy
Yankee Kustoms
Chicago, Illinois

Awatar użytkownika
mika
Posty: 585
Rejestracja: 2007-07-22, 23:00
Lokalizacja: Gdańsk

Re: Schemat rurek podciśnienia? OHV

2009-01-28, 10:13

mam identyczne auto, prosze o info na PW

dodatkowo znalazlem ten post:

zrodlo post Jankesa:Picture of 1995 OHV

tu msz pare fotek: http://www.explorerforum.com/forums/sho ... p?t=234431
Załączniki
1.JPG
1.JPG (61.42 KiB) Przejrzano 2995 razy
Ostatnio zmieniony 2009-01-28, 10:33 przez mika, łącznie zmieniany 4 razy.
IF YOU CAN READ THIS TURN ME BACK ONTO MY WHEELS
http://www.explorerforum.com/forums/sho ... stcount=17

EX II - XLT 95 4.0 V6 OHV (LPG) / lift 2" UP /265 75 R16

Awatar użytkownika
Moderator Jankes
Moderator
Posty: 3111
Rejestracja: 2007-12-08, 19:37
Lokalizacja: Chicago/Kraków
Model Explorera: Każdy
Kontakt: Strona WWW

Re: Schemat rurek podciśnienia? OHV

2009-01-28, 17:36

ano było takie zdjątko... teraz nie zrobię bo wszystko rozebrane doszczętnie - to zdjęcie jednak najlepiej oddaje system podłączania podciśnienia.
Yankee Kustoms
Chicago, Illinois

Wróć do „WARSZTAT”