Rejestracja na forum została wyłączona. Obecnie forum pełni rolę archiwum wiedzy zebranej na przestrzeni lat.
macio1978
Posty: 125
Rejestracja: 2008-06-02, 00:13
Lokalizacja: wawa

krućce w deklu zaworow

2009-01-17, 20:38

witam.
Ponieważ pozyczyłem ostatnio mamie samochów a każa taka akcja kończy się jakoms naprawą to mam pytanko.

zaczelo się tak wspaniała tchalia mojej mamy odmówiła posłuszeństawa więc padlo pytanie czy może jechać explozją do pracy no i za godzine obudził mnie telefon z płaczem że rozwaliła mi skrzynie i co to będzie, objaw byla następujący po zachamowaniu samochód gasł.

Pojechałem zobaczytlem okazało się że wcieło wolne obroty po otwarciu maski podrapałem się w głowe i odrazu zwróciłem uwage na dekiel zaworów ponieważ wydobywał się z jego okolic dziwny syyk. są tam cztery krućce ( patrząc od przodu samochodu ) najpierw są takie jeden węższy a drugi o większej średnicy po zatkaniu tych krućcy wolne obroty powróciły więc co by rodzicielka nie musiała dymać autobusem polączyłem je wężykiem, wolne obroty są ale p[rzy przezuceniu wajchy z p na d szarpie i w związku z tym moje pytanie

czy czasem wężyki od tych krućcy nie powinny iść do skrzyni albo w jakieść inne miejsce

Pozxrawiam Maciej
Macio

chevidan

Re: krućce w deklu zaworow

2009-01-17, 22:15

jeden z nich idzie do skrzyni.od króćca jest kawałek wężyka a dalej metalowa rurka przykręcona do klektora ssącego na samej górze.następne dwa idą do 1 regulatora ciśnienia paliwa po drugiej stronie kolektora ssącego 2 zasila regulację nawiewów w aucie itp.jest jeszcze jeden gruby do serwa hamulców.dwa króćce są zaślepione.

Awatar użytkownika
kizio 730
Posty: 252
Rejestracja: 2008-02-16, 22:13
Lokalizacja: Pomorskie

Re: krućce w deklu zaworow

2009-01-17, 22:20

tak jedna z tych rurek idzie do modulatora podcisnieniowego który odpowiada za plynną zmiane biegów odszukaj ten przewód i załóż z powrotem i będzie ok. jaki powód -strzał gazu???

[ Dodano: 2009-01-17, 22:23 ]
o widze nie byłem pierwszy chevidan, jak zawsze pierwszy :-) :-) ;-)

macio1978
Posty: 125
Rejestracja: 2008-06-02, 00:13
Lokalizacja: wawa

Re: krućce w deklu zaworow

2009-01-17, 22:48

moje explo nie jest zatrute i właśnie zastanawiam czemu tak się stało może węzyk stwardniał od mrozu i zdezerterował
Macio

Awatar użytkownika
Mysza
Posty: 308
Rejestracja: 2008-07-11, 00:01
Lokalizacja: Płock

Re: krućce w deklu zaworow

2009-01-17, 23:51

dekiel zaworów ponieważ wydobywał się z jego okolic dziwny syyk. są tam cztery krućce
W pokrywach zaworów nie ma żadnych króćców. Jest jeden przy korku oleju, a wąż od niego idzie do rury dolotowej.

Jeśli chodzi o rozgałęziacz podciśnień w kolektorze ssącym, nad deklem zaworów po stronie kierowcy, to owszem, jest tam do podłączenia parę rurek. Jedna od nawiewów, jedna od termostatu w filtrze, kolejna od modulatora w skrzyni i jeszcze taka gruba od zaworu PCV który powinien siedzieć w deklu zaraz pod rozgałęziaczem. To połączenie zrealizowane jest wężykiem o dlugości ok. 8cm, jest to najgrubszy wężyk w tamtych okolicach. Reszta jest cienkich przekrojów. Nie wiem co połączyłeś, ale na bank zamotałeś.
modulatora podcisnieniowego który odpowiada za plynną zmiane biegów
Nie za to odpowiada.
Jeśli linia podciśnienia skrzyni nie jest podpięta, to żadnego szarpania nie będzie. Skrzynia nie przerzuci poprostu 1-2 ani dalej. Na jedynce i wsteku będzie działać normalnie, na dwójce manualnej również.
Oprócz explo:
Ford Granada GXL '72 2.9 24v6 cosworth
Ford Granada Ghia X '84 2.8 v6 injection
Ford Scorpio GL '88 2.9 v6
Ford Fiesta CL '90 1.8D "Ropuszka"

macio1978
Posty: 125
Rejestracja: 2008-06-02, 00:13
Lokalizacja: wawa

Re: krućce w deklu zaworow

2009-01-18, 00:03

zrobie jutro fote i wżuce na forum ciewawy jestem wlaśnie co namotalem
Macio

Awatar użytkownika
Mysza
Posty: 308
Rejestracja: 2008-07-11, 00:01
Lokalizacja: Płock

Re: krućce w deklu zaworow

2009-01-18, 00:12

Ja proponuje zeby ktos zrobił fote jak to powinno być (po explo bym musial iść na drugi koniec posiadłości, a to jest jednak kawałek :D), i sobie Macio podłączy jak należy, bo inaczej to cienko widzę.
Oprócz explo:
Ford Granada GXL '72 2.9 24v6 cosworth
Ford Granada Ghia X '84 2.8 v6 injection
Ford Scorpio GL '88 2.9 v6
Ford Fiesta CL '90 1.8D "Ropuszka"

Awatar użytkownika
Moderator Jankes
Moderator
Posty: 3111
Rejestracja: 2007-12-08, 19:37
Lokalizacja: Chicago/Kraków
Model Explorera: Każdy
Kontakt: Strona WWW

Re: krućce w deklu zaworow

2009-01-18, 08:59

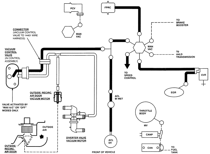
a więc nie chodzi o pokrywę zaworów raczej napewno a o kolektor dolotowy i choinkę znajdującą się przy grodzi. Pracuję właśnie nad rozszyfrowniem tej choinki w explo Trabanta - miał właśnie tam "przeciek" co powodowało, że wolne obroty były dość wysokie. Jednak w jego wypadku te cienkie. plastikowe rurki są w opłakanym stanie, popękane.

Sprawdź czy wszystko do choinki jest podłączone i czy nie pałęta się gdzieś jakaś wolna rurka.

Zdjęcie choinki gdzieś mam.
Yankee Kustoms
Chicago, Illinois

Awatar użytkownika
Moderator Jankes
Moderator
Posty: 3111
Rejestracja: 2007-12-08, 19:37
Lokalizacja: Chicago/Kraków
Model Explorera: Każdy
Kontakt: Strona WWW

Re: krućce w deklu zaworow

2009-01-18, 09:31

nie tyle zdjęcie co szkic... jeśli miałbyś pytania co do poszczególnych podłączeń to wal śmiało...
Załączniki
0900c1528018ee10.gif
0900c1528018ee10.gif (26.59 KiB) Przejrzano 5467 razy
Yankee Kustoms
Chicago, Illinois

Awatar użytkownika
Mysza
Posty: 308
Rejestracja: 2008-07-11, 00:01
Lokalizacja: Płock

Re: krućce w deklu zaworow

2009-01-18, 09:48

Co to FPRC ?
Oprócz explo:
Ford Granada GXL '72 2.9 24v6 cosworth
Ford Granada Ghia X '84 2.8 v6 injection
Ford Scorpio GL '88 2.9 v6
Ford Fiesta CL '90 1.8D "Ropuszka"

Awatar użytkownika
Moderator Jankes
Moderator
Posty: 3111
Rejestracja: 2007-12-08, 19:37
Lokalizacja: Chicago/Kraków
Model Explorera: Każdy
Kontakt: Strona WWW

Re: krućce w deklu zaworow

2009-01-18, 11:09

Fuel Pressure Regulator Control

regulator ciśnienia paliwa...
Yankee Kustoms
Chicago, Illinois

Awatar użytkownika
kizio 730
Posty: 252
Rejestracja: 2008-02-16, 22:13
Lokalizacja: Pomorskie

Re: krućce w deklu zaworow

2009-01-18, 11:49

('Mysza, ')napisał
Jeśli linia podciśnienia skrzyni nie jest podpięta, to żadnego szarpania nie będzie. Skrzynia nie przerzuci poprostu 1-2 ani dalej. Na jedynce i wsteku będzie działać normalnie, na dwójce manualnej

będzie zmieniać biegi ale przy wysokich obrotach i z szarpnięciem

[ Dodano: 2009-01-18, 13:37 ]
ten długi czarny przewód połączony z rurką metalową prowadzi do modulatora w skrzyni
Załączniki
DSC00197.JPG
DSC00197.JPG (129.63 KiB) Przejrzano 5414 razy
Ostatnio zmieniony 2009-01-18, 11:51 przez kizio 730, łącznie zmieniany 1 raz.

macio1978
Posty: 125
Rejestracja: 2008-06-02, 00:13
Lokalizacja: wawa

Re: krućce w deklu zaworow

2009-01-18, 14:02

na tym zdjęciu widze że sa obie zaślepione lub jakieś cienkie wężyki z nich wychodzą
Macio

Awatar użytkownika
kizio 730
Posty: 252
Rejestracja: 2008-02-16, 22:13
Lokalizacja: Pomorskie

Re: krućce w deklu zaworow

2009-01-18, 14:13

tak trzy wyjscia są zaślepione ,ten na górze kolektora idzie do modulatora jeden cienki idzie do obudowy filtra powietrza ,drugi steruje ogrzewaniem trzeci gruby leci do serwa

[ Dodano: 2009-01-18, 14:35 ]
jeden z nich idzie do skrzyni.od króćca jest kawałek wężyka a dalej metalowa rurka przykręcona do klektora ssącego na samej górze.następne dwa idą do 1 regulatora ciśnienia paliwa po drugiej stronie kolektora ssącego 2 zasila regulację nawiewów w aucie itp.jest jeszcze jeden gruby do serwa hamulców.dwa króćce są zaślepione.
u mnie są trzy zaslepione wyjscia dopiero byłem zajzeć pod maskie
Ostatnio zmieniony 2009-01-18, 14:33 przez kizio 730, łącznie zmieniany 1 raz.

macio1978
Posty: 125
Rejestracja: 2008-06-02, 00:13
Lokalizacja: wawa

Re: krućce w deklu zaworow

2009-01-18, 14:58

mo to lece do garażu zbadac temat i zaślepiś co trzeba, dzięki panowie za pomoc niech wam matka natura w malym spalaniu wynagrodzi -)
Macio

Wróć do „WARSZTAT”