Rejestracja na forum została wyłączona. Obecnie forum pełni rolę archiwum wiedzy zebranej na przestrzeni lat.
Awatar użytkownika
Marcin Koło
Posty: 632
Rejestracja: 2007-10-04, 12:22
Lokalizacja: Koło

RAJDOWE ŻARÓWKI 12V 130/90W

2008-08-25, 20:01

witam mam pytanko czy ktoś testował żarówki o podwyższonej mocy
RAJDOWE ŻARÓWKI 12V 130/90W H4
wiem że nie mają homolagacji ale w końcu kto mi tam będzie zaglądał

haysen

Re: RAJDOWE ŻARÓWKI 12V 130/90W

2008-08-25, 20:52

Hej uzywam takich zarowek od 2..3 lat swietnie dzialaja..doskonale widac nic sie nie dzieje spokojnie moge polecic...ja kupuje je na allegro:)

basstian

Re: RAJDOWE ŻARÓWKI 12V 130/90W

2008-08-25, 21:20

Ja mam 100/90 i działa :-) nawet lampy nie grzeją sie przesadnie.

Awatar użytkownika
Hubi
Posty: 4159
Rejestracja: 2007-08-14, 13:07
Lokalizacja: Warszawa/Świnoujście
Model Explorera: EX I 1994 hotwheels

Re: RAJDOWE ŻARÓWKI 12V 130/90W

2008-08-25, 22:01

a jakie żarówki mamy standardowo? 60W?
w EXI nie ma rzeczy trudnych - czasem tylko są czasochłonne :chillout: 517015460

kszesz
Posty: 727
Rejestracja: 2007-07-17, 22:59
Lokalizacja: W-wa Włochy

Re: RAJDOWE ŻARÓWKI 12V 130/90W

2008-08-25, 22:31

a jakie żarówki mamy standardowo? 60W?
60/55W i wynalazków w postaci świecących światłem białym z supermarketów nie polecam, właśnie wywaliłem i założyłem marki Osram Night Breaker naprawdę dobre nabyte w Castoramie (ok 30zł komplet).
Ostatnio zmieniony 2008-08-26, 20:44 przez kszesz, łącznie zmieniany 1 raz.

Awatar użytkownika
Moderator Jankes
Moderator
Posty: 3111
Rejestracja: 2007-12-08, 19:37
Lokalizacja: Chicago/Kraków
Model Explorera: Każdy
Kontakt: Strona WWW

Re: RAJDOWE ŻARÓWKI 12V 130/90W

2008-08-26, 00:24

Z tym, że słyszałem też, że mogą być kłopoty z wypaleniem styków przełącznika długich przy kierownicy. Brak przekaźnika. Nie mieliście z tym problemów?
Yankee Kustoms
Chicago, Illinois

Awatar użytkownika
Marcin Koło
Posty: 632
Rejestracja: 2007-10-04, 12:22
Lokalizacja: Koło

Re: RAJDOWE ŻARÓWKI 12V 130/90W

2008-08-26, 06:52

zaryzykowałem i zamówiłem http://www.allegro.pl/item421838695_raj ... efekt.html
zobaczymy co z tego wyjdzie
gdzieś czytałem jakiś artykuł że wszystkie te co mają + 20, +5o% światła to żarówki z ze skróconym żarnikiem i stąd ta moc i kolor światła, ale wada takich żarówek to mała żywotność i duża wrażliwość na wstrząsy i Jedynym rozwiązaniem dla uzyskania silnego oświetlenia jest założenie niehomologowanych żarówek 130w
Ostatnio zmieniony 2008-08-26, 06:57 przez Marcin Koło, łącznie zmieniany 1 raz.

Awatar użytkownika
adam533
Posty: 666
Rejestracja: 2007-10-31, 22:05
Lokalizacja: Pruszków

Re: RAJDOWE ŻARÓWKI 12V 130/90W

2008-08-26, 07:18

myślę że xenon i tak lepiej świeci :!:

Awatar użytkownika
Hubi
Posty: 4159
Rejestracja: 2007-08-14, 13:07
Lokalizacja: Warszawa/Świnoujście
Model Explorera: EX I 1994 hotwheels

Re: RAJDOWE ŻARÓWKI 12V 130/90W

2008-08-26, 07:57

Walają mi się gdzieś w gratach żarówki BOSMA 100W. Kawał czasu temu przez pomyłkę kupiłem je na stacji benzynowej chcąc wymienić przepaloną żarówkę w Oplu Kadecie (w roztargnieniu nie zwróciłem uwagi, że mają niewłąściwą moc). Efekt był taki, że świeciły o połowę gorzej niż zwykłe 60W. Nie wiem dokładnie co było tego przyczyną. Może instalacja nie dostarczała odpowiedniej ilości mocy :?:
w EXI nie ma rzeczy trudnych - czasem tylko są czasochłonne :chillout: 517015460

Mikado
Posty: 990
Rejestracja: 2007-07-10, 20:31
Lokalizacja: Polska

Re: RAJDOWE ŻARÓWKI 12V 130/90W

2008-08-26, 08:58

jeździłem z żarówkami 100/90 , ale prawdziwą zmianę na lepsze zauważyłem po wymianie... lamp na nowe (po 30zł)

manius

Re: RAJDOWE ŻARÓWKI 12V 130/90W

2008-08-26, 09:08

Z tym, że słyszałem też, że mogą być kłopoty z wypaleniem styków przełącznika długich przy kierownicy. Brak przekaźnika. Nie mieliście z tym problemów?
ano
tak mialem na samym poczatku
wyjaral mi sie totalnie caly multiwlacznik
wycieraczki chodzily kiedy chcialy
kierunkowskazy tez

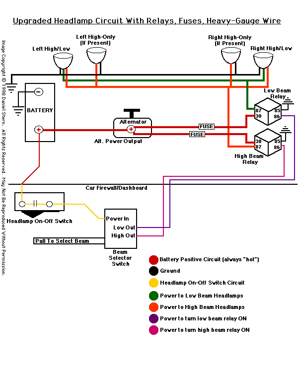
zalozylem przekazniki i do dzis spoko 8)
Załączniki
relays lampen.GIF
relays lampen.GIF (11.37 KiB) Przejrzano 4996 razy

Awatar użytkownika
adam533
Posty: 666
Rejestracja: 2007-10-31, 22:05
Lokalizacja: Pruszków

Re: RAJDOWE ŻARÓWKI 12V 130/90W

2008-08-26, 10:28

Hubi, może przez pomyłkę kupiłeś na 24V

Awatar użytkownika
piotrek16v
Posty: 379
Rejestracja: 2007-10-22, 16:31
Lokalizacja: Warszawa

Re: RAJDOWE ŻARÓWKI 12V 130/90W

2008-08-26, 10:32

witam ja miałem przygodę z takimi żarówkami dawno zarówki BOSMA jeździłem wtedy zastępczo (rozbiłem golfa) audi 100 86r (cygaro)
żarówki świeciły jasno
problemów z władzą nie miałem
klosze się nie grzały
ale wypalił się praktycznie odrazu przełącznik do świateł w audi, jest razem z dzwignią kierunków po założeniu innego używanego nie było problemów ale też samochód dużo już nie jeździł
jednak widać że potrafią takie żarówki przygrzać styki
teraz w explo mam żarówki philipsa zresztą w kolejnym audi też mam philipsy a i w golfie miałem polecam wszystkim
przerabiałem philips bluevision i GT150 nightvision wszystkie godne polecenia swiecą jasno i nie mają niebieskiej (choć nazwa sugeruje inaczej) poświaty ala xenon co mi pasuje

Awatar użytkownika
Hubi
Posty: 4159
Rejestracja: 2007-08-14, 13:07
Lokalizacja: Warszawa/Świnoujście
Model Explorera: EX I 1994 hotwheels

Re: RAJDOWE ŻARÓWKI 12V 130/90W

2008-08-26, 10:34

Hubi, może przez pomyłkę kupiłeś na 24V
heheh może tak ;) nie pamiętam już :P

a tak na marginesie - to dlaczego te żarówki są rajdowe?

szybciej się na nich jeździ, czy jak? ;)
Ostatnio zmieniony 2008-08-26, 10:37 przez Hubi, łącznie zmieniany 1 raz.
w EXI nie ma rzeczy trudnych - czasem tylko są czasochłonne :chillout: 517015460

Awatar użytkownika
fotomysz
Posty: 2359
Rejestracja: 2007-11-04, 11:32
Lokalizacja: Łódź
Kontakt: Strona WWW

Re: RAJDOWE ŻARÓWKI 12V 130/90W

2008-08-26, 11:33

u mnie w toyocie te mocne żarówki popaliły kostki przy żarówkach, nie było to jakos szybko ale po 3-4 latach więc ja bym nie ryzykował bo to jednak jest większy pobór prądu, a jak producent tego nie przewidział to kable i wszystkie kostki się grzeją i wcześniej czy później najsłabsze miejsce pusci :P
Explorer '99 4.0L V6 + LPG, zawiecha +2" up .......... na razie :P
SHREK '09 4.0 V6 OHV :D
Stworzyłem POTWORA ;P
Miał być jeszce Sport ale się nie udalo :P więc jest SHREK

Wróć do „WARSZTAT”