Rejestracja na forum została wyłączona. Obecnie forum pełni rolę archiwum wiedzy zebranej na przestrzeni lat.
Awatar użytkownika
Klubowicz Speedo
Klubowicz
Posty: 1109
Rejestracja: 2010-05-16, 15:05
Lokalizacja: lubuskie
Model Explorera: 2001 Sport Trac

Re: krućce w deklu zaworow

2010-09-21, 19:56

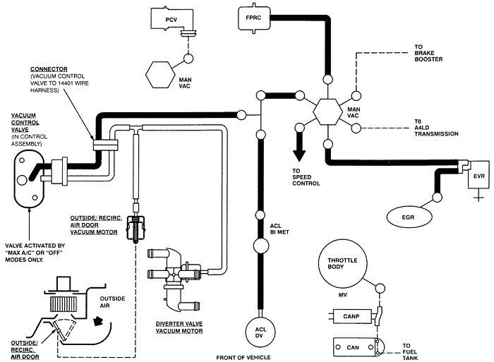
a mógłby ktoś rozszyfrować te skróty ACL BI MET i ACL DV bo mi brakuje kawałka podciśnień od prawej głowicy ku przodowi?
Załączniki
0900c1528018ee10_190.gif
0900c1528018ee10_190.gif (26.59 KiB) Przejrzano 1426 razy
Ostatnio zmieniony 2010-09-21, 19:57 przez Speedo, łącznie zmieniany 1 raz.

Awatar użytkownika
Klubowicz Speedo
Klubowicz
Posty: 1109
Rejestracja: 2010-05-16, 15:05
Lokalizacja: lubuskie
Model Explorera: 2001 Sport Trac

Re: krućce w deklu zaworow

2010-09-21, 20:01

ok, już wiem, air cleaner bimetal sensor ale dalej nie wiem jak podłączyć, z trójnika wychodzą 2 rurki, idą z tyłu silnika na prawą stronę, pod cewką, jedna odchodzi w prawo do klimy a druga idzie dalej prosto wzdłuż głowicy, przechodzi z cienkiej plastikowej w grubą i... dalej nie mam :P
Pozdrawiam
Speedo

Obrazek

Awatar użytkownika
julek1270
Posty: 345
Rejestracja: 2009-03-08, 20:11
Lokalizacja: Drawsko Pomorskie

Re: krućce w deklu zaworow

2010-09-22, 18:59

a druga idzie dalej prosto wzdłuż głowicy
Nie wiem czy konkretnie o ten Ci chodzi , taki twardy plastykowy około 2 mm średnicy , bo jak napisałeś jeden z taki cienki idzie do takiego plastykowego zbiornika nad klimą nastepnie jest trójnik i do sterowania nawiewem a drugi taki cienki wychodzący z tej choinki na kolektorze , idzie do obudowy filtra powietrza.
Bardzo chciałem zrobić fote ale jak na złość aparat nie chce ''odpalić'' :-x
Czarny Eddie Bauer 6"lift opony 35" Big Horn Maxxis tel. 533563182

Awatar użytkownika
Klubowicz Speedo
Klubowicz
Posty: 1109
Rejestracja: 2010-05-16, 15:05
Lokalizacja: lubuskie
Model Explorera: 2001 Sport Trac

Re: krućce w deklu zaworow

2010-09-22, 19:53

ok, dzieki, wlasnie wrocilem spod maski, ten spadniety wezyk byl od regulatora cisnienia paliwa na listwie wtryskowej, strasznie sa zapyziale te gumki laczace i spadaja co po chwile, z tego co czytalem poprzedni wlasciciel tez mial z tym problemy, no ale juz wszystkie na swoich miejscach opasane trututkami zeby jaj nie robily

jutro testy jak wyschnie swiezo malowana podstawa pod akumulatorem...
Pozdrawiam
Speedo

Obrazek

Wróć do „WARSZTAT”