Rejestracja na forum została wyłączona. Obecnie forum pełni rolę archiwum wiedzy zebranej na przestrzeni lat.
Awatar użytkownika
Hubi
Posty: 4159
Rejestracja: 2007-08-14, 13:07
Lokalizacja: Warszawa/Świnoujście
Model Explorera: EX I 1994 hotwheels

Re: wisko - wentylator elektryczny

2013-06-23, 21:19

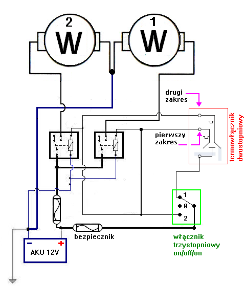
to moja propozycja w załączeniu

jest włącznik trzypozycyjny on/off/on, który włącza w pozycji nr 1 wentylator pierwszy, a w pozycji nr 2 - oba wentylatory jednocześnie.

pozycja "zero" - układ pracuje wyłącznie w oparciu o termowłącznik

co do podłączenia termowłącznika założyłem, że po osiągnięciu drugiego zakresu temperatury nie odłącza pierwszego.
Załączniki
schemat 2 wentylatory termowłącznik dwustopniowy.PNG
schemat podłączenia dwóch wentylatorów
schemat 2 wentylatory termowłącznik dwustopniowy.PNG (50.33 KiB) Przejrzano 5929 razy
w EXI nie ma rzeczy trudnych - czasem tylko są czasochłonne :chillout: 517015460

Moderator Kojot
Moderator
Posty: 4526
Rejestracja: 2010-12-06, 16:21
Lokalizacja: warszawa

Re: wisko - wentylator elektryczny

2013-06-23, 21:33

zadziała , ale po osiągnięciu tem. na czujniku ręcznie go nie wyłączysz ;-) niebezpieczne przy np. brodzeniu ;-)
Ostatnio zmieniony 2013-06-23, 21:39 przez Kojot, łącznie zmieniany 1 raz.

Awatar użytkownika
Hubi
Posty: 4159
Rejestracja: 2007-08-14, 13:07
Lokalizacja: Warszawa/Świnoujście
Model Explorera: EX I 1994 hotwheels

Re: wisko - wentylator elektryczny

2013-06-23, 21:52

nie czytałem całego wątku się przyznam ;)

po konsultacji z Radkiem

poz 1 - praca z czujnika

poz 2 - praca obu wentylatorów

poz 0 - układ rozłączony

chyba dobrze tym razem ;)
Załączniki
schemat 2 wentylatory termowłącznik dwustopniowy - wariant 2.PNG
schemat 2 wentylatory termowłącznik dwustopniowy - wariant 2.PNG (46.86 KiB) Przejrzano 5914 razy
w EXI nie ma rzeczy trudnych - czasem tylko są czasochłonne :chillout: 517015460

Awatar użytkownika
Hubi
Posty: 4159
Rejestracja: 2007-08-14, 13:07
Lokalizacja: Warszawa/Świnoujście
Model Explorera: EX I 1994 hotwheels

Re: wisko - wentylator elektryczny

2013-06-23, 21:54

dokładnie jak pisze kojot Radkowi zależało na możliwości wyłączenia układu przy wjeżdżaniu do wody
starwind, już poprawiłem :P
Ostatnio zmieniony 2013-06-23, 21:56 przez Hubi, łącznie zmieniany 1 raz.
w EXI nie ma rzeczy trudnych - czasem tylko są czasochłonne :chillout: 517015460

Awatar użytkownika
Moderator starwind
Moderator
Posty: 4858
Rejestracja: 2008-08-12, 20:49
Lokalizacja: Malbork
Model Explorera: '96 3" lift 32"BFG MT
Kontakt: Google+

Re: wisko - wentylator elektryczny

2013-06-23, 21:55

teraz to jest dokładnie to samo co ja rysowałem tylko w całości :)
Niech Moc Będzie z Nami :lol:
Adam

Awatar użytkownika
Moderator starwind
Moderator
Posty: 4858
Rejestracja: 2008-08-12, 20:49
Lokalizacja: Malbork
Model Explorera: '96 3" lift 32"BFG MT
Kontakt: Google+

Re: wisko - wentylator elektryczny

2013-06-23, 21:55

teraz to jest dokładnie to samo co ja rysowałem tylko w całości :)
i zdecydowanie ładniej :)
Niech Moc Będzie z Nami :lol:
Adam

Awatar użytkownika
Hubi
Posty: 4159
Rejestracja: 2007-08-14, 13:07
Lokalizacja: Warszawa/Świnoujście
Model Explorera: EX I 1994 hotwheels

Re: wisko - wentylator elektryczny

2013-06-23, 21:59

teraz to jest dokładnie to samo co ja rysowałem tylko w całości :)
no to przynajmniej mamy dwa głosy na TAK, że zadziała ;)
w EXI nie ma rzeczy trudnych - czasem tylko są czasochłonne :chillout: 517015460

Moderator Kojot
Moderator
Posty: 4526
Rejestracja: 2010-12-06, 16:21
Lokalizacja: warszawa

Re: wisko - wentylator elektryczny

2013-06-23, 21:59

no nie bo jest na przekaźnikach 4 pinowych :P
Ostatnio zmieniony 2013-06-23, 22:02 przez Kojot, łącznie zmieniany 2 razy.

Awatar użytkownika
Hubi
Posty: 4159
Rejestracja: 2007-08-14, 13:07
Lokalizacja: Warszawa/Świnoujście
Model Explorera: EX I 1994 hotwheels

Re: wisko - wentylator elektryczny

2013-06-23, 22:01

no nie bo jest na przekaźnikach 4 pinowych :P i ręczne załączanie tylko jeden zalącza :D
a co w tym jest nieprawidłowe?
w EXI nie ma rzeczy trudnych - czasem tylko są czasochłonne :chillout: 517015460

Moderator Kojot
Moderator
Posty: 4526
Rejestracja: 2010-12-06, 16:21
Lokalizacja: warszawa

Re: wisko - wentylator elektryczny

2013-06-23, 22:09

sorki dużo już dzisiaj tego przerobiłem i już czacha mi dymi :-D hubi zworka z termikiem i 2 na przełączniku jest fu ;-) termik załączy 2 naraz przy pierwszym zakresie :-)

Awatar użytkownika
Rad-T
Administrator
Posty: 10016
Rejestracja: 2007-06-22, 20:46
Lokalizacja: Kampinos
Model Explorera: SOHC 99, OHV Sport 92
Kontakt: Strona WWW Facebook

Re: wisko - wentylator elektryczny

2013-06-23, 22:12

:popcorn:

ale to w pełnym POZYTYWNYM znaczeniu :) bardzo fajnie się ten wątek rozwija i do tego mega merytorycznie :)
Remont SOHC in progress... the end...
...Cars don't talk back they're just four wheeled friends now...

Moderator Kojot
Moderator
Posty: 4526
Rejestracja: 2010-12-06, 16:21
Lokalizacja: warszawa

Re: wisko - wentylator elektryczny

2013-06-23, 22:13

bardzo fajnie czache musze chłodzić przez ciebie :-P :-D :-D

Awatar użytkownika
Hubi
Posty: 4159
Rejestracja: 2007-08-14, 13:07
Lokalizacja: Warszawa/Świnoujście
Model Explorera: EX I 1994 hotwheels

Re: wisko - wentylator elektryczny

2013-06-23, 22:54

sorki dużo już dzisiaj tego przerobiłem i już czacha mi dymi :-D hubi zworka z termikiem i 2 na przełączniku jest fu ;-) termik załączy 2 naraz przy pierwszym zakresie :-)
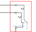
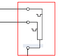
hmmm... przyznam, że nie do końca rozumiem.

Zaznaczam, że nie jestem elektrykiem i być może pomerdałem coś ze schematem termowłącznika, ale jeśli dobrze rozumiem, to ma on dwa obiegi, które są załączane przez jakiś bimetal stykowy.

Przy osiągnięciu pierwszego zakresu temperatury łączy pierwszy obwód. W tym momencie drugi obwód jest otwarty i nie przewodzi prądu.

Jak w tej sytuacji prąd który dojdzie do termowłącznika z drugiej strony miałby dostać się na drugi obwód?
Załączniki
termowłącznik - temp drugi zakres zakres - 3.PNG
termowłącznik - temp drugi zakres zakres - 3.PNG (2.24 KiB) Przejrzano 5867 razy
termowłącznik - temp pierwszy zakres - 2.PNG
termowłącznik - temp pierwszy zakres - 2.PNG (2.53 KiB) Przejrzano 5867 razy
termowłącznik - temp poniżej zakresu - 1.PNG
termowłącznik - temp poniżej zakresu - 1.PNG (2.67 KiB) Przejrzano 5867 razy
schemat 2 wentylatory termowłącznik dwustopniowy - wariant 2-2.PNG
schemat 2 wentylatory termowłącznik dwustopniowy - wariant 2-2.PNG (47.53 KiB) Przejrzano 5865 razy
Ostatnio zmieniony 2013-06-23, 22:55 przez Hubi, łącznie zmieniany 1 raz.
w EXI nie ma rzeczy trudnych - czasem tylko są czasochłonne :chillout: 517015460

Awatar użytkownika
Moderator starwind
Moderator
Posty: 4858
Rejestracja: 2008-08-12, 20:49
Lokalizacja: Malbork
Model Explorera: '96 3" lift 32"BFG MT
Kontakt: Google+

Re: wisko - wentylator elektryczny

2013-06-24, 05:50

Kojot ma racje nie przyjrzałem się dokładnie za pierwszym razem :/
przy jednym wyłączniku i mostku między cewkami tak jak masz narysowane zawsze załączać będą się dwa wiatraki
potrzebne są dwa włączniki
Niech Moc Będzie z Nami :lol:
Adam

Awatar użytkownika
Rad-T
Administrator
Posty: 10016
Rejestracja: 2007-06-22, 20:46
Lokalizacja: Kampinos
Model Explorera: SOHC 99, OHV Sport 92
Kontakt: Strona WWW Facebook

Re: wisko - wentylator elektryczny

2013-06-24, 08:03

Pisałem wczoraj Hubertowi o tym :)

mostek spowoduje włączenie dwóch wiatraków przy pierwszym zakresie czujnika.

A gdyby wprowadzić trzeci przekaźnik (to nadal jeden mniej :) ), który byłby odpowiedzialny za załączanie wiatraków ręcznie - rozwiązalibyśmy problem tego mostka. :roll:

Poniżej Hubert zaznaczone w czym jest problem w Twoim schemacie.
Załączniki
schemat_elektro.jpg
schemat_elektro.jpg (64.96 KiB) Przejrzano 5831 razy
Remont SOHC in progress... the end...
...Cars don't talk back they're just four wheeled friends now...

Wróć do „Kącik OFFROAD-OWY”