Rejestracja na forum została wyłączona. Obecnie forum pełni rolę archiwum wiedzy zebranej na przestrzeni lat.
chevidan

żarówki do reflektorów 100/90w

2007-07-15, 22:11

nie polecam takich żarówek do expo ponieważ nie wytrzymuje przekaźnik od świateł.założyłem takie żarówki około miesiąc temu i było ok.jak wracałem ostatnio z kampinosu co jakiś czas ktoś mi mrugał światłami,więc noga z gazu a tam nic.okazało się że miałem dyskotekę z przodu,światła mrugały prawie jak stroboskop.po wyłączeniu świateł na chwilę przez pół godziny było ok,jednak dzisiaj jechałem za miasto i co 10 minut przerwa na wychłodzenie przekaźnika.chyba będę musiał go wymienić bo się przegrzał,ustaliłem już gdzie on jest-pod deską mniej więcej nad pedałem gazu.
Ostatnio zmieniony 2007-07-15, 22:19 przez chevidan, łącznie zmieniany 1 raz.

Awatar użytkownika
bondek
Posty: 771
Rejestracja: 2007-08-08, 11:09
Lokalizacja: Nie z tej ziemi :)
Model Explorera: Ex'98 4,0 U2

Re: żarówki do reflektorów 100/90w

2007-08-18, 12:15

Poza tym chyba te żarówki sa u nas niedozwolone?
Zamiast koła zapasowego.. KOŁO BLUESA :)

manius

Re: żarówki do reflektorów 100/90w

2007-08-18, 13:05

Poza tym chyba te żarówki sa u nas niedozwolone?
zgadza sie
ale wole cos widziec na niedozwolonych zarowkach :-)
(bezpieczniej dla wszystkich, oczywiscie jezeli reflektory sa dobrze ustawione )
jak jechac po prawie ciemku na dozwolonych i wyladowac w botanice :mrgreen:
niestety ale reflektory w explo to jak w maluchu czyli katastrofa

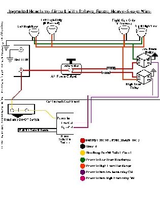
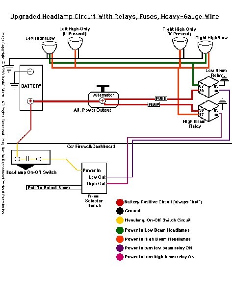
Daniel mialem ten sam problem tylko u mnie wyjaral sie prawie wlacznik,
kupilem nowy i zalozylem przekazniki
teraz mam spoko

jak bede mial moja digicam to zrobie fotki

oto schemat jak popodlaczac przekazniki,
te kupilem za chyba 10 zl/szt z podstawka
Załączniki
lampen.jpg
Ostatnio zmieniony 2007-08-18, 15:33 przez manius, łącznie zmieniany 2 razy.

Wróć do „ELEKTRYKA, OŚWIETLENIE, ZAPŁON”