Rejestracja na forum została wyłączona. Obecnie forum pełni rolę archiwum wiedzy zebranej na przestrzeni lat.
Awatar użytkownika
karol449
Posty: 210
Rejestracja: 2008-06-29, 10:30
Lokalizacja: Kutno

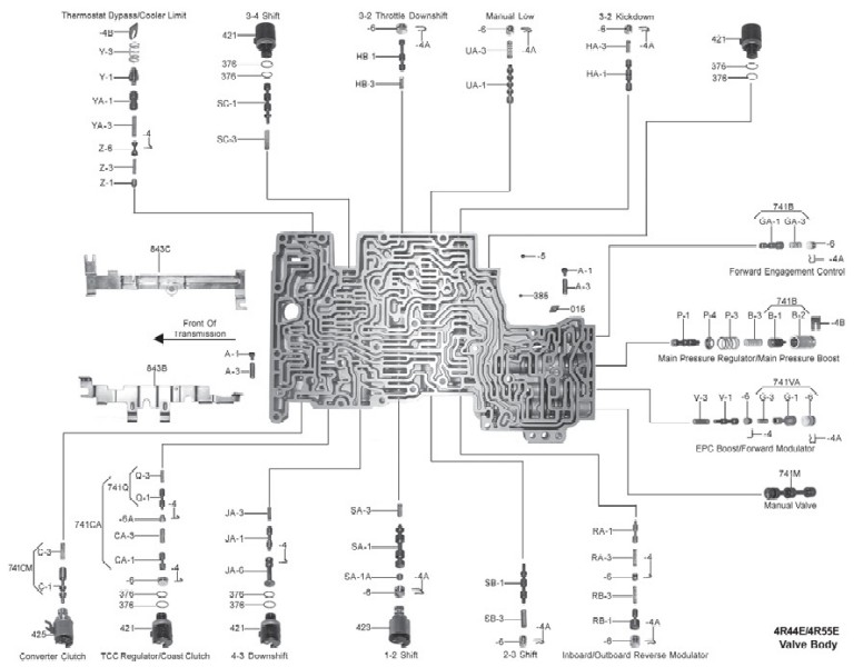
Schemat płyty sterującej 4R44E/4R55E

2010-08-21, 23:22

Witam znalazlem wiec sie dziele bo na forum nie znalazlem jesli sie przyda prosze moderatorow o umieszczenie w stosownym miejscu
Załączniki
4R44E 4R55E.jpg
4R44E 4R55E.jpg (78.25 KiB) Przejrzano 15839 razy
604 652 172

Wróć do „SILNIK I UKŁAD NAPĘDOWY”